Projektleiter

Prof. Dr. Christian Dick

Prof. Dr. Christian Dick

Informations-, Medien- und Elektrotechnik
Institut für Automatisierungstechnik (IA)

  • Campus Deutz
    Betzdorfer Straße 2
    50679 Köln
  • Raum HW1-30
  • Telefon+49 221-8275-2262

Netzferne Energieversorgung

Für das geplante größte Radioteleskop der Welt „Deep Synoptic Array (DSA)“ sollen eine Vielzahl von zusammengeschalteten Parabolantennen Daten sammeln. Jede einzelne Antenne steht fern eines elektrischen Netzes. Für das Inselsystem „Antenne“ wird ein solargespeistes und batteriegestütztes System konzeptioniert, entworfen, aufgebaut und getestet.

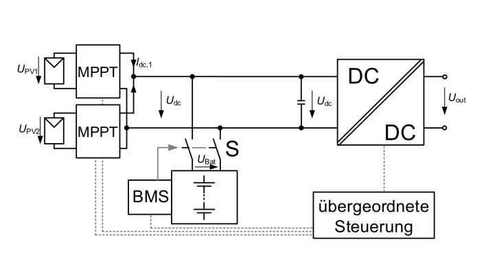
Topologie der Energieversorgung Topologie der Energieversorgung (Bild: TH Köln, C.Dick)

Für das geplante größte Radioteleskop der Welt „Deep Synoptic Array (DSA)“ sollen eine Vielzahl von zusammengeschalteten Parabolantennen Daten sammeln. Jede einzelne Antenne steht fern eines elektrischen Netzes. Für das Inselsystem „Antenne“ wird ein solargespeistes und batteriegestütztes System konzeptioniert, entworfen, aufgebaut und getestet.

Auf einen Blick

Kategorie Beschreibung
Forschungsprojekt Elektronik für eine Netzferne Energieversorgung 
Leitung Prof. Dick 
Fakultät Informations-, Medien- und Elektrotechnik 
Institut Institut für Automatisierungstechnik, Cologne Institute for Renewable Energy (CIRE) 
Beteiligte Prof. Christian Dick, Houdaifa Lahbil (M.Sc.), David Bohne (M.Sc.), Valentin Wagner (M.Sc.), Vincent Schulte 
Projektpartner Stellar Synergy GmbH 
Fördermittelgeber Stellar Synergy GmbH 
Laufzeit 02/2025-08/2026 
Website

Das Projekt gliedert sich in mehrere (teils abgeschlossene) Projektteile: Im ersten Teil wurde die hardware- und softwareseitige Vorentwicklung der beiden Einzelsysteme MPPT und DC-DC-Wandler im Detail durchgeführt.

Im zweiten Teil des Projekts wurde basierend auf einem Raspberry Pi eine übergeordnete Steuerung entwickelt, die die Einzelsysteme MPPT, DC-DC-Wandler steuert und ein noch nicht final definiertes BMS integriert. Neben der Möglichkeit, Parameter der Einzelsysteme anzupassen, wurde eine Software-Update-Funktion implementiert, mit der die Firmware von MPPT und DC-DC-Wandler der Fernwartung aktualisiert werden kann.

Im dritten Teil des Projekts liegt der Fokus auf der Festlegung und Umsetzung eines BMS-CAN-Kommunikationsprotokolls sowie der Integration einer Ethernet-Schnittstelle zur Leitwarte für Datenaustausch und Softwareupdates. Zudem werden Anpassungen am SRC gemäß neuer Leistungsvorgaben vorgenommen, Gespräche mit Platinenherstellern geführt und Tests zur Qualitätssicherung programmiert. Abschließend erfolgt der umfassende Test des Gesamtsystems aus MPPT, SRC, BMS und Leitwarte.

Projektleiter

Prof. Dr. Christian Dick

Prof. Dr. Christian Dick

Informations-, Medien- und Elektrotechnik
Institut für Automatisierungstechnik (IA)

  • Campus Deutz
    Betzdorfer Straße 2
    50679 Köln
  • Raum HW1-30
  • Telefon+49 221-8275-2262


M
M